
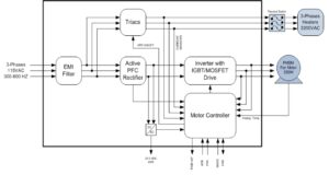
The PSMD contains all the power generating system components to control the heaters and fans for cabin oven equipment.
It includes the following functions:
- Compatible with wild frequency network
- Internal fault diagnostic (BITE) – improve reliability and avoid inflight failure
- 3 phases- 3200 Volts amps- power supply for heaters
- 250W power supply for sensorless motor
- Active power factor corrector rectifier- with the last norms (including harmonics), last A/C
- Protection against over current, over voltage, under voltage and over temperature
- CAN bus communication
Key features
- 3 phases 115 Volts alternating current(VAC)-variable frequencypower input
- Active power factor corrector
- Sensorless motor drive
Applications
- Airbus civil aircraft
- Boeing civil aircraft
Specifications
Electrical
Input voltage
3 phases 115 Volts alternating current(VAC) variable frequency
Output
3200 VAC/3 phases – to the heater
250 W/3phases to brushless direct current electric motor (BLDC)
25.5 VDC/40W- insulated auxiliary power supply
250 W/3phases to brushless direct current electric motor (BLDC)
25.5 VDC/40W- insulated auxiliary power supply
Physical
Width
350 mm
Height
140 mm
Depth
61 mm
Weight
1 660g
Environmental
Temperature
-15°C to +65°C (normal operating conditions)
During 1 hour operating conditions
During 1 hour operating conditions
DO254 level D
RTCA/D0160F
ABD100.1.8
787B3-0147 RevC
RTCA/D0160F
ABD100.1.8
787B3-0147 RevC
Note: Due to continuous process improvement, specifications are subject to change without notice


