
The AC electrical master boxes provides all the power generating system components to control the brushed motor used for cockpit seat actuation.
It performs the following functions:
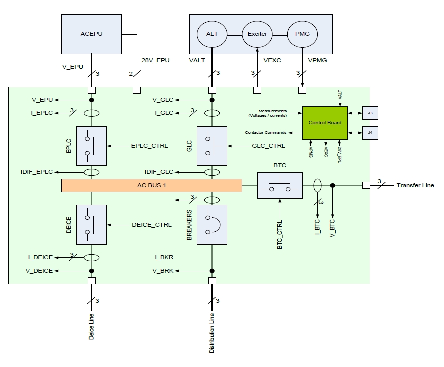
- Regulation of the alternators
- Protection of the power sources
- Connection of the various power sources to the network
- Reconfiguration of the networks to guarantee flight safety in case of failure of the power sources
- Self-protection against internal short circuit
- Protection against short circuits on the transfer lines
- RAC electrical master box built-in test
- In dual generation configuration, each Alternating Current
- Supplied by an alternator
- Communicates with the other ACEMB
- Is able to transfer power to the other box to guarantee flight safety if the other alternator failed
Key features
- Dual 3 phases 115 Vac power input
- Protection of AC power sources
- Dual generation(2 alternators, 2 linked ACEMB)
- Automatic network reconfiguration
- Connection and distribution
Applications
- Helicopters
- Business Jet
Specifications
Electrical
Input voltage
115 Volts alternating current(VAC)
Dual 3phases (alternator and GPU)
Protection of the AC power sources
Dual 3phases (alternator and GPU)
Protection of the AC power sources
output
Three-phases115V/400Hz
Single-phased 115V/400Hz +28 VDC
CAN and ARINC bus communication
Automatic network reconfiguration
Voltage, current, frequency monitoring
Integrated PBIT, CBIT and IBIT
Single-phased 115V/400Hz +28 VDC
CAN and ARINC bus communication
Automatic network reconfiguration
Voltage, current, frequency monitoring
Integrated PBIT, CBIT and IBIT
Physical
Width
360 mm
Height
260 mm
Depth
150 mm
Weight
< 7 kg
Environmental
Temperature
-15°C to +70°C (normal operating conditions)
DO254 level B
RTCA/D0160D
ABD 100.1.8
RTCA/D0160D
ABD 100.1.8
Note: Due to continuous process improvement, specifications are subject to change without notice


