
- Inverter based on 80V Mosfet / Schottky switches
- Digital control architecture based on TI DSP (TMS320F2812)
- Optimal control strategy and over-modulation techniques
- Integrates high speed data transfer (512 kbauds).
- Input characteristics: 17V-40V
- Output: 10A / 200Hz
- Implements 24V/12W Sepic dc/dc converter for brake supply
- Dynamic and static performances:
- Current, Speed, Position Bandwidths: 3kHz, 100Hz, 10Hz
- Position control accuracy < 1%
- Monitoring: Current, Speed, Input voltage, temperature
- Temperature range: -46°C to 85°C
- Shocks: 10g ± 1g / 6ms , 250g ± 25g / 1ms.
- Efficiency : > 85%
- Cooling: Natural convection (uses thermal vias to dissipate calories to the base plate)
- Size: 191 x 171 x 32 mm
- Weight: ~700g
Key features
- Input : 17 to 40 VDC
- Output : 10 A/200hZ
- Dynamic and static performances
Applications
- Motors
- Actuators
- …
Specifications
Electrical
Input characteristics
28 to 450 VDC
Outputs
100 to 500 A
Switching Frequency
16kHz or 33kHz
Digital Control Architecture DSP & FPGA
EMI Compliant (ML,EN, ABD)
Efficiency
> 95%
Colling
Natural convetion
Physical
Weight
4 kg to 11 kg
Size for 11Kva
405x325x125 mm
References
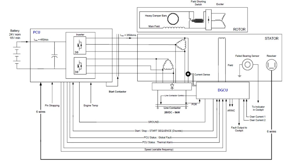
UAV Engine Starter
Cessna
Cessna
Note: Due to continuous process improvement, specifications are subject to change without notice



