
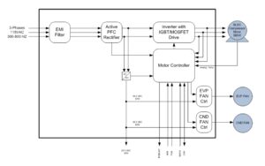
The PSMD contains all the power generating system components to control compressor motor and fans for cabin beverage chiller equipment.
It includes the following functions:
- Compatible with wild frequency network
- Internal fault diagnostic (BITE) ‐ improve reliability and avoid inflight failure
- 580 W power supply for drive actuator for sensorless motor
- Active power factor corrector rectifier ‐ compatible with the last norms (including harmonics), last A/C
- Protection against over current, over voltage, under voltage and over temperature ‐ prevent damage to the motor
Key features
- 3 phases 115 Volts alternating current(VAC)‐variable frequency power input
- Active power factor corrector
- Sensorless motor drive
Applications
- Airbus civil aircraft
- Boeing civil aircraft
Specifications
Electrical
Input voltage
3 phases 115 Volts alternating current(VAC)‐ variable frequency
Output
580 W/3phases‐ to brushless direct current electric motor (BLDC)
Active power factor corrector rectifier sensorless motor drive
25.5(Volts direct current)VDC/170W‐ insulated auxiliary power supply
Physical
Width
272 mm
Height
246 mm
Depth
79 mm
Weight
2 350g
Environmental
Temperature
‐15°C to +65°C (normal operating conditions)
‐40°C to +70°C (extended during 1 hour operating conditions)
‐40°C to +70°C (extended during 1 hour operating conditions)
Note: Due to continuous process improvement, specifications are subject to change without notice


